○南さつま市中国残留邦人等に対する支援給付事務取扱規則
平成21年11月2日
規則第30号
(趣旨)
第1条 この規則は、中国残留邦人等の円滑な帰国の促進並びに永住帰国した中国残留邦人等及び特定配偶者の自立の支援に関する法律(平成6年法律第30号。以下「法」という。)に基づく支援給付に関する事務の取扱いに関し、法、中国残留邦人等の円滑な帰国の促進並びに永住帰国した中国残留邦人等及び特定配偶者の自立の支援に関する法律施行令(平成8年政令第18号)及び中国残留邦人等の円滑な帰国の促進並びに永住帰国した中国残留邦人等及び特定配偶者の自立の支援に関する法律施行規則(平成6年厚生省令第63号)に定めるもののほか、必要な事項を定めるものとする。
(備付書類)
第2条 南さつま市福祉事務所長(以下「福祉事務所長」という。)は、被支援者(支援給付を受けている者をいう。以下同じ。)につき、次に掲げる書類を作成し、常にその記載事項について整理しておかなければならない。
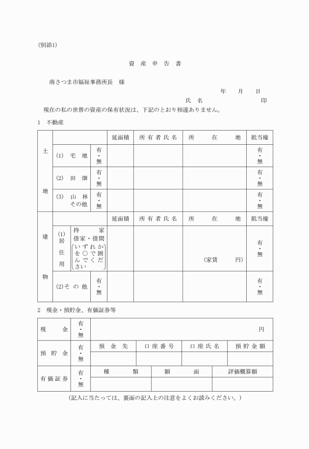
(1) 面接記録票(第1号様式)
(2) 支援給付台帳(第2号様式)
(3) 支援給付決定調書(第3号様式)
(4) 支援給付金品支給台帳(第4号様式)
(5) 被支援者記録票(第5号様式)
2 福祉事務所長は、次に掲げる書類を作成し、常にその記載事項について整理しておかなければならない。
(1) 受付簿(第6号様式)
(2) 被支援者番号索引簿(第7号様式)
(3) 被支援者番号登録簿(第8号様式)
(4) 支援給付申請書受理簿(第9号様式)
(5) 医療券交付処理簿(第10号様式)
(6) 介護券交付処理簿(第11号様式)
2 被支援者がその居住地を他の福祉事務所の長又は支援給付の実施機関の長の所管区域内に移転したときは、福祉事務所長は、速やかに必要な決定を行い、被支援者居住地移転決定通知書(第12号様式)により、新居住地を所管する福祉事務所の長又は支援給付の実施機関の長に通知しなければならない。
3 前項の通知には、次に掲げる書類のうち支援給付の決定実施上必要と認められる最小限のものの写しを添付するものとする。
(1) 支援給付台帳
(2) 支援給付決定調書
(3) 被支援者記録票
(4) その他福祉事務所長が必要と認める書類
(支援給付の申請)
第4条 支援給付の開始又は変更の申請の書面は、中国残留邦人等の円滑な帰国の促進並びに永住帰国した中国残留邦人等及び特定配偶者の自立の支援に関する法律等による支援給付申請書(第13号様式)によるものとする。
2 前項の申請書には、次に掲げる書類のうち、福祉事務所長が必要と認めるものを添付しなければならない。
(1) 給与証明書(第14号様式)
(2) 住宅補修計画書(第15号様式)
(3) 生業計画書(第16号様式)
(4) その他福祉事務所長が必要と認める書類
3 保護法第18条第2項に規定する葬祭支援給付の申請の書面は、中国残留邦人等の円滑な帰国の促進並びに永住帰国した中国残留邦人等及び特定配偶者の自立の支援に関する法律等による葬祭支援給付申請書(第17号様式)によるものとする。
(検診命令等)
第6条 福祉事務所長は、保護法第28条第1項の規定により要支援者に対して検診を受けるべき旨を命ずるときは、当該要支援者に検診命令書(第22号様式)を交付しなければならない。
(扶養照会)
第7条 福祉事務所長は、保護法第4条第2項の規定により、要支援者の扶養義務者に対し扶養義務の履行について照会するときは、第25号様式によるものとする。
(調査依頼等)
第8条 福祉事務所長は、保護法第29条の規定により調査を嘱託し、又は報告を求めるときは、第26号様式によるものとする。
(保護施設等入所委託書)
第9条 福祉事務所長は、保護法第30条第1項ただし書の規定により、被支援者を救護施設、更生施設若しくはその他の適当な施設に入所させ、若しくは入所を委託し、又は私人の家庭に養護を委託するときは、当該施設の長又は私人に対し保護施設等入所委託書(第27号様式)により委託しなければならない。
(入所被支援者状況変動届書)
第10条 保護法第48条第4項の規定による届出は、入所被支援者状況変動届書(第28号様式)によらなければならない。
附則
(施行期日)
第1条 この規則は、平成21年11月2日から施行する。
(南さつま市福祉事務所長に対する事務委任規則の一部改正)
第2条 南さつま市福祉事務所長に対する事務委任規則(平成17年南さつま市規則第48号)の一部を次のように改正する。
〔次のよう〕略
附則(平成28年3月31日規則第24号)
この規則は、平成28年4月1日から施行する。



































